Motor gear ac kecil Pembekal

  • Siri 400W
  • Siri 400W
  • Siri 400W
  • Siri 400W
Motor gear ac kecil

Siri 400W

Kekuatan Motor: 400W (1/2HP) Pemasangan mendatar atau menegak

Fasa: fasa tunggal / tiga fasa

Nisbah gear: 3-1800K

Pemilihan motor: 3 fasa motor 220V-240V/380V-415V, 50Hz/60Hz; 1 fasa motor, 220V, 50Hz/60Hz; 1 fasa motor, 110V, 50Hz / 60Hz

Output aci diameter: φ22mm φ28mm φ32mm φ40mm

  • Siri 400W
  • Siri 400W
  • Siri 400W
  • Siri 400W
PERMOHONAN KAWASAN
Kami adalah perusahaan berteknologi tinggi yang khusus untuk pengeluaran dan penjualan motor pengurangan gear AC, motor pengurangan kecil, pengurang planet khusus servo, motor tanpa berus dan tanpa berus DC serta produk lain.
  • Penyortiran Logistik

  • Robot automatik

  • Pemotongan laser

  • Pintu kawalan akses

  • Stesen Kuasa Photovoltaic

  • Peranti perubatan

  • AGV

Penerangan Produk

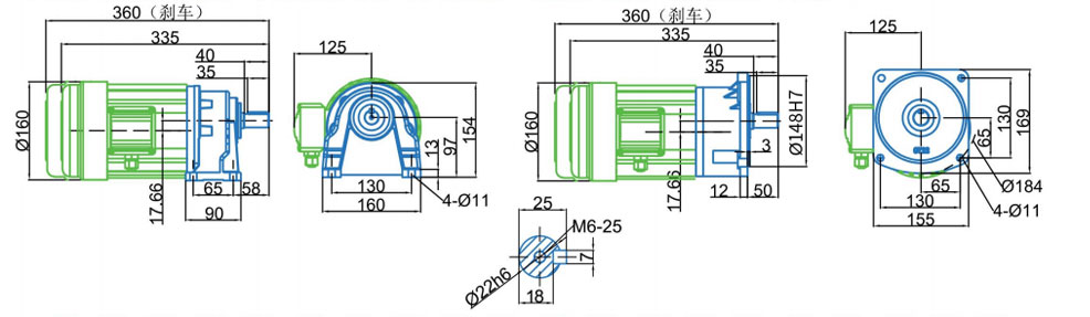
CH22/CV22-400W- (Kotak Standard 1: 3 ~ 10 nisbah) (Kotak yang dikurangkan 1: 15 ~ 90 nisbah) Rajah saiz

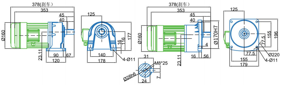
CH32/CV32-400W (1: 210 atau lebih tinggi nisbah) Rajah dimensi

CH28/CV28-400W - (Kotak Standard 1: 15 ~ 90 nisbah) (Kotak yang dikurangkan 1: 100 ~ 200 nisbah) Lukisan Dimensi

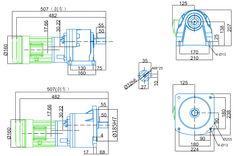
CH40/CV40-400W (1: 210 atau lebih tinggi nisbah) Rajah saiz

CH32/CV32-400W - (Standard Box 1: 100 ~ 200 Ratio) Lukisan Dimensi

Parameter Jentera Elektrik

Parameter Jentera Elektrik

Kuasa (kw)

Jenis

Voltan (v)

Kekerapan (Hz)

Arus dinilai (a)

Kelajuan putaran yang dinilai (RMP)

Kapasitor (μF)

Klasifikasi penebat

Sistem perlindungan

0.4kW

1/2hp

Fasa tunggal

220v

50Hz

1.1a

1420RMP

16μF 、 100μF

F

IP54

Tiga fasa

220V/380V

50Hz

2.1a/1.2a

1420RMP

/

Jadual tork 400W- (1: 3-1800)

Nisbah Gera

3

5

10

15

20

25

30

40

50

60

70

80

90

100

120

140

160

180

200

300

1200

1800

Output R.P.M.

50Hz

500

300

150

100

75

60

50

37

30

25

21.4

18.8

16.7

15

12.5

10.7

9.4

8.4

7.5

5

1.25

0.83

60Hz

600

360

180

120

90

72

60

45

36

30

25.7

22.5

20

18

15

12.9

11.3

10

9

6

1.5

1

Output tork kg/m

50Hz

0.7

1.2

2.4

3.6

4.8

6

7.2

9.3

11.6

13.9

16.2

18.4

20.7

23

27.7

32

36

40.8

43.2

70.2

70.2

70.2

60Hz

0.6

1

2

3

4

5

6

7.8

9.7

11.6

13.5

15.4

17.3

19.2

23.1

26.7

30.3

34

36

56.7

56.7

56.7

Kelajuan dalam jadual dikira berdasarkan kelajuan dinilai motor pada 50Hz/60Hz, 1420R.Min/1732R.Min

Kelajuan sebenar akan berubah sedikit dengan saiz beban, dengan pelbagai variasi kira -kira ± 5%.

+ Fahami parameter produk terperinci
Hubungi Kami
  • Upload

Mengenai kita
Zhejiang Saiya Intelligent Manufacturing Co., Ltd.
Zhejiang Saiya Intelligent Manufacturing Co., Ltd. ditubuhkan pada tahun 2009, dengan 15 tahun pengumpulan industri, yang merupakan perusahaan berteknologi tinggi yang mengkhusus dalam pengeluaran dan penjualan motor gear AC Mikro, motor gear AC kecil, motor gear DC berus, motor gear DC tanpa berus BLDC, kotak gear Precision Planetary, dan roller motor...dsb. Kami Borong China Siri 400W Pembekal dan OEM/ODM Siri 400W Pengeluar, Motor dan kotak gear Saiya digunakan secara meluas dalam robot industri, logistik pintar, mesin tenaga baharu, robot AGV dan bidang lanjutan lain. Selain itu, mereka memainkan peranan penting dalam pemprosesan makanan, pembungkusan, tekstil, elektronik, peralatan perubatan dan jentera khusus, menawarkan penyelesaian yang kos efektif dan berbeza untuk pelbagai industri. Untuk meningkatkan kelebihan kami dalam pembezaan dan keberkesanan kos, Kami mempunyai syarikat perdagangan kami sendiri, Hangzhou Saiya Transmission Equipment Co., LTD yang terletak di Hangzhou, Zhejiang, yang terletak berhampiran pelabuhan Shanghai dan Ningbo, untuk mengendalikan perniagaan dalam dan luar negara, digabungkan dengan kedua-dua jualan langsung dan pengedaran, memastikan pengedaran global dan sokongan pelanggan kami, menyediakan penyelesaian ekonomi dan boleh dipercayai mewah kepada semua pelanggan kami.

Budaya Korporat

Sahih Boleh Dipercayai
Kualiti Semulajadi Terserlah.

Nilai teras: Membangunkan diri dan mengambil berat terhadap orang lain.

Penglihatan:Menjadi pakar perkhidmatan dalam bidang transmisi pintar.

misi kami:Menyediakan perkhidmatan berkualiti tinggi dan mencipta nilai untuk pelanggan.

Falsafah perkhidmatan:Mengejar kebahagiaan material dan rohani untuk semua pekerja dan menyumbang kepada kemajuan dan pembangunan masyarakat manusia.

  • 2009

    Penubuhan
  • 80+

    Kakitangan
  • 5+

    Barisan Pengeluaran
Berita